Loading...
mff pályázati infoblokk +

steelstep.hu - emeloszakaruhaz.hu

+36 (52) 316-319

info@steelstep.hu

Székhely:

Hungary  4030 Debrecen, Diószegi út 22/2. 

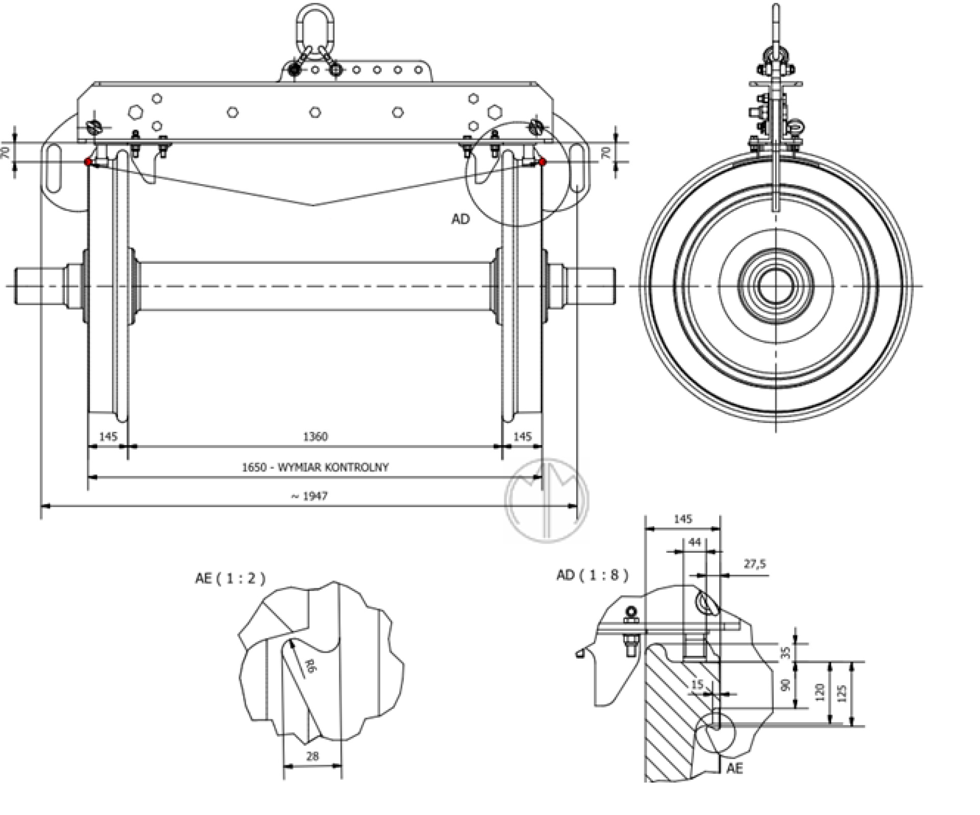
Kerékpáremelő gerenda
Grida pentru roata feroviara - Lifting beam for wheelsets
Teherbírás
kg
Szélesség
mm
Önsúly
kg
2200 1650 193

Járműjavító üzemekben vasúti kerékpárok emelésére, mozgatására használatos emelőgerenda. Amennyiben a megfelelő termék kiválasztásával, műszaki alkalmasságával kapcsolatban kérdése van, forduljon szakembereinkhez! Telefon: 06 (52) 316-319